Прямые поставки недоступных в РФ брендов из Китая и Европы. Заявки оставляйте на почту info@cnc360.ru  
0
0

АБСОЛЮТНЫЙ ДАТЧИК УГЛОВОГО ПОЛОЖЕНИЯ С CANOPEN ИНТЕРФЕЙСОМ — ТЕХНИЧЕСКОЕ РУКОВОДСТВО

АБСОЛЮТНЫЙ ДАТЧИК УГЛОВОГО ПОЛОЖЕНИЯ С CANOPEN ИНТЕРФЕЙСОМ — ТЕХНИЧЕСКОЕ РУКОВОДСТВО

Руководство описывает технические параметры абсолютного углового датчика с CAN интерфейсом, производимого в СКБ ИС, а также программирование, установку параметров работы и подключение датчика.

11882
(2)

Оглавление:

  1. ВВЕДЕНИЕ
  2. ОПРЕДЕЛЕНИЯ
  3. ТРЕБОВАНИЯ ПО БЕЗОПАСНОМУ ИСПОЛЬЗОВАНИЮ
  4. СЕТЬ CANOPEN И ПРОФИЛЬ ДАТЧИКА
  5. ОБЪЕКТЫ ДАТЧИКА
  6. ТЕХНИЧЕСКИЕ ДАННЫЕ
  7. ЭЛЕКТРИЧЕСКИЕ СОЕДИНЕНИЯ И УСТАНОВКИ

1 Введение

Настоящее руководство описывает технические параметры абсолютного углового датчика с CAN интерфейсом, производимого в СКБ ИС, а также программирование, установку параметров работы и подключение датчика.

Руководство описывает использование датчика и должно быть дополнено паспортом, который является неотъемлемой частью документации датчика.

2 Определения

Используемые аббревиатуры:

CAL CAN Application Layer
  Прикладной уровень 7-уровневой OSI модели
CAN Controller Area Network
  Локальная сеть контроллеров
CiA CAN in Automation
  «CAN в автоматизации», международная ассоциация производителей и пользователей CAN-продуктов
COB Communication Объект
  Объект для передачи данных и параметров
COB ID COB identifier
  Идентификатор объекта передачи данных и параметров
DS Draft standard
  Рекомендумый стандарт, документ CiA
EEPROM Electrically Erasable Programmable Read-Only Memory
  Электрически стираемое ПЗУ, энергонезависимая память
LSB Least significant бит/byte
  Младший значащий бит/байт
MSB Most significant бит/byte
  Старший значащий бит/байт
NMT Network Management — Управление сетью
  CAL элемент для конфигурации сети и обслуживания ошибок
Node ID Номер CAN-узла, присвоенный датчику
OD Объект Dictionary
  Словарь объектов передачи данных и параметров
PDO Process Data Объект
  Объект передачи данных
RTR Remote Transmission Request
  Удалённый запрос
SDO Service Data Объект
  Сервисный объект, обеспечивающий доступ к параметрам прибора
SYNC Synchronization message
  Объект синхронизации, используется для синхронизации устройств на шине
180h Знак h в конце числа означает его 16-чное представление

Дополнительную информацию можно найти в документах:

  • BOSCH CAN specification 2.0
  • CiA draft standard DS 301, CAN Application Layer and Communication Profile
  • CiA draft standard DS 406, CANopen Device Profile for Encoders CiA
  • CiA draft standard DS 306, Electronic data sheet specification for CANopen

3 Требования по безопасному использованию

Руководство должно быть обязательно прочитано перед эксплуатацией датчика.

Датчик — точный измерительный прибор, использующийся для определения углового положения и количества оборотов и для перевода этих величин в соответствующие электрические сигналы для соответствующих систем. Датчик может использоваться только для этих целей.

Датчик должен устанавливаться и подсоединяться только квалифицированным персоналом. Также ознакомьтесь с инструкцией производителя устройства, на которое устанавливается датчик.

Перед эксплуатацией оборудования проверьте электрические соединения.

Датчик должен работать в оговорённых условиях. В частности питающее напряжение не должно превышать установленный предел.

Транспортировка или хранение прибора должно быть в оригинальной упаковке. Никогда не роняйте датчик и не превышайте допустимых вибраций.

Избегайте ударов по валу или по корпусу.

Избегайте скручивания или изгиба корпуса.

Никогда не делайте жёсткого соединения вала датчика с валом ведущего устройства, используйте для соединения муфту.

Не открывайте датчик для каких-либо механических изменений в нём. Пользователь должен снимать крышку только для присоединения кабелей и установки адреса и скорости передачи.

Не делайте никаких изменений в электрической схеме датчика.

Полностью экранируйте корпус датчика и подключаемый кабель. Сделайте соответствующее заземление устройства, в которое встроен датчик.

Для подключения датчика используйте только сигнальный кабель с витыми парами (CAN+ с CAN- и 0V с +24V).

Не производите подключения и отключения во время работы датчика.

4 Сеть CANopen и профиль датчика

4.1 Общая информация

CAN-шина (Controller Area Network) разработана фирмами BOSCH и Intel для обеспечения быстрой, недорогой передачи данных в автомобильных приложениях. В настоящее время CAN-шина используется во всех сферах промышленной автоматизации. CAN-шина — это магистральная шина для высоконадёжной передачи данных по последовательному каналу в широковещательном режиме. CAN использует короткие сообщения (телеграммы), максимум 94 бита. CAN не использует определённый адрес. Содержимое сообщения неявно включает в себя адрес источника и приёмника. Приёмник реагирует на сообщения, предназначенные только ему.

Характеристики CAN-шины:

  1. Скорость передачи до 1 Mбит/сек при длине кабеля до 40 м.
  2. Возможность работы в режиме реального времени, определено максимальное время задержки для сообщений с высоким приоритетом. Обычно <120 мкс для 1 Mбит/сек.
  3. Теоретически до 127 узлов на шине. «Plug and play» подключение.
  4. Шина с нагрузочными резисторами на обоих концах.
  5. Гарантированная целостность данных в сети. Повреждённые сообщения обозначаются как ошибочные.
  6. Все узлы сети одновременно принимают сообщения. Возможна синхронизация.
  7. Приоритет сообщений определяется идентификатором сообщения.

CANopen построен на верхнем уровне CAL (CAN Application Layer), с использованием регламента и протоколов связи CAL. CANopen представляет только часть функций CAL, оптимизированных для упрощённых систем, работающих в режиме реального времени.

Центральное понятие в CANopen — это Объектный Словарь устройства (Device Объект Dictionary). Словарь упорядочен по группам объектов; каждый объект адресуется с использованием 16-битного индекса. Для доступа к отдельным элементам в структурах используется 8-битный субиндекс.

Основное разделение объектов в словаре CANopen:

Объектный словарь CANopen
Индекс Объект
0000 не используется
0001-001F Статические типы данных (такие как двоичные, целые и т.п.)
0020-003F Сложные типы данных (предопределённые структуры)
0040-005F Сложные типы данных, определённые производителем
0060-007F Статические типы данных для данного профиля устройств
0080-009F Сложные типы данных для данного профиля устройств
00A0-0FFF зарезервировано
1000-1FFF Область профиля обмена данными (напр. Тип устройства, регистр ошибок, поддерживаемое кол-во PDO)
2000-5FFF Область профиля, характерного для производителя
6000-9FFF Стандартизированный профиль устройства (напр. «DSP-406 Device Profile for Encoders» CiA)
A000-FFFF зарезервировано

4.2 Структура сообщений

CANopen CAN-телеграмма содержит идентификатор (COB ID), код длины данных (DLC) и до 8 байтов данных:

COB ID длина Байт 1 Байт 2 Байт 3 Байт 4 Байт 5 Байт 6 Байт 7 Байт 8
11 бит X x x x x x x x X

11-битный идентификатор (COB-ID) состоит из 4-битного кода функции (FC) и 7- битного номера узла (Node ID)

Код функции (FC) Номер узла (Node ID)
                     

Код функции определяет тип и приоритет сообщения. Меньший COB ID даёт более высокий приоритет.

Таблица типов сообщений и соответствующих COB ID

Тип сообщения COB ID  
Широковещательные сообщения
NMT 0 Объект управления сетью для инициализации контроля сети
SYNC 80h Объект для синхронизации устройств CAN-сети
Сообщения, адресуемые к узлам
Emergency 80h + Node ID Критические объекты для сообщений об ошибках
PDO1 (transmit) 180h + Node ID 1й объект данных процесса (Process Data Объект) для передачи данных в режиме реального времени
PDO2 (transmit) 280h + Node ID реального времени PDO2 (transmit) 280h + Node ID 2
SDO (transmit) 580h + Node ID Служебный объект (Service Data Объект) для чтения параметров через объектный словарь
SDO (receive) 600h + Node ID Служебный объект (Service Data Объект) для изменения параметров через объектный словарь
Heartbeat 700h + Node ID Объект тактовых сообщений (Heartbeat message) периодически вызываемый для поддержания протокола проверки работоспособности устройств (Node Guarding Protocol)

4.3 Передача данных процесса

Объект данных процесса (PDO) используется для передачи данных датчика в режиме реального времени одному или нескольким потребителям.

Структура PDO-сообщения:

  COB ID Длина Байт 1 Байт 2 Байт 3 Байт 4
PDO1 180h + node ID 4 LSB x x MSB
PDO2 280h + node ID 4 LSB x x MSB

Байты Байт1 — Байт4 содержат 32-битовое беззнаковое значение позиции с учётом смещения (см. объект 6509h стр. 34).

Объект PDO может передаваться в синхронном или асинхронном режиме. Для синхронизации устройств служит объект синхронизации SYNC, который периодически передаётся синхронизирующим приложением. Объект SYNC представлен как предопределённый и имеет двухбайтовую структуру:

Байт 1 COB-ID = 80h
Байт 2 0

Распределение синхронных (Synchronous PDO) и асинхронных (Asynchronous PDO) объектов передачи данных во времени показано на рисунке:

рисунок 1

Синхронный режим задействован когда объект 1800h / 1801h (для PDO1 / PDO2) субиндекс 2 имеет значение от 1 до 240 (F0h). При значении 1 данные передаются на каждую принятую SYNC телеграмму; при значении n передача происходит на каждую n-ю SYNC телеграмму, когда объект 2800h / 2801h содержит 0. Если объект 2800h / 2801h имеет ненулевое значение k, то передача данных происходит только k раз. Счётчик передач PDO телеграммы обнуляется в случае изменения позиции или по команде NMT сброс. Так, при изменении позиции, PDO телеграмма передаётся n раз. Если n=1, передача происходит при каждом изменении позиции.

Асинхронный режим задействован когда объект 1800h / 1801h субиндекс 2 содержит величину FEh.
В этом режиме PDO передаются в цикле. Время цикла в миллисекундах определяется объектом 1800h / 1801h субиндекс 5. Если содержимое объекта 0, то PDO не передаётся.

Примеры различных режимов передачи PDO1 / PDO2 показаны в таблице

1800h / 1801h 2800h / 2801h Описание
суб 2 суб 5
асинхронный режим
FEh 0 x Передача PDO выключена
FEh 4мс 0 Циклическая передача каждые 4мс
FEh 3мс 5 Циклическая передача каждые 3мс, но только 5 раз после изменения позиции
FEh 7мс 1 Циклическая передача каждые 7мс один раз при изменении позиции
синхронный режим
0 x x Передача PDO выключена
2 x 0 Передача PDO на каждую 2ю SYNC телеграмму
3 x 12h Передача 18 раз (=12h) по каждой 3й SYNC телеграмме
установки PDO1 по умолчанию
FEh 203h 0 Циклическая передача каждые 515мs (203h)
установки PDO2 по умолчанию
2h 100h 0 Передача по каждой 2й SYNC телеграмме

Передача PDO также выключена, когда MSB (бит 31) объекта 1800h/1801h — субиндекс 1 равен 1.

Запись в объект 1800h/1801h субиндекс 1 влияет только на этот старший бит.

4.4 Обмен сервисными данными (работа с объектным словарём)

Все параметры датчика хранятся в объектном словаре (см. раздел 5 «Объекты датчика»). Адреса параметров (индексы) стандартизированы, они могут быть прочитаны или изменены путём чтения/записи сервисных объектов (Service Data Объектs — SDO).

SDO сообщение имеет структуру:

COB-ID Длина Байт 1 Байт 2 Байт 3 Байт 4 Байт 5 Байт 6 Байт 7 Байт 8
11-бит 0..4 Команда Индекс Субиндекс Параметр
LSB MSB LSB ... ... MSB

COB-ID равен 580h+nodeID для передачи Датчик → Мастер

или 600h+nodeID для передачи Мастер → Датчик.

DLC — длина кода параметра в байтах

Байт 1 — Код команды, определяет действие с параметром:

Команда Описание
22h Установка параметра датчика
40h Запрос величины параметра
43h Ответ на запрос параметра
60h Подтверждение датчиком изменения параметра
80h Сообщение аварийного завершения, также мастеру передаётся сообщение об ошибке

Индекс и Субиндекс соответствуют значениям в объектном словаре

Величина Параметр состоит из 0...4 байтов

В случае ошибки передаётся сообщение об аварийном завершении (SDO abort message), которое имеет структуру:

COB ID длина Байт 1 Байт 2 Байт 3 Байт 4 Байт 5 Байт 6 Байт 7 Байт 8
580h + node ID 8 80h Индекс Субиндекс Байт ошибки 0 Байт ошибки 1 Байт ошибки 2 Байт ошибки 3

Индекс и субиндекс соответствуют запрашиваемому объекту.

Поддерживаются следующие сообщения:

0504 0001 Спецификатор команды неизвестен или не работает
0601 0001 Попытка чтения только записываемого объекта
0601 0002 Попытка записи только читаемого объекта
0602 0000 Объект не существует в Словаре объектов
0606 0000 Доступ к объекту неудачный из-за аппаратной ошибки
0609 0011 Субиндекс не существует
0609 0030 Величина вне допустимого диапазона (для записи)
0800 0000 Общая ошибка
0800 0020 Неверная подпись «load» или «save»

4.5 Служба аварийных сообщений

Внутренние ошибки датчика или ошибки связи вызывают аварийное сообщение, которое имеет структуру:

COB-ID Длина Байт 1 Байт 2 Байт 3 Байт 4 Байт 5 Байт 6 Байт 7 Байт 8
80h+node ID 8 Код ошибки Регистр ошибок 1001h Аварии 6503h Предупреждения 6505h
Байты 2..1: Код ошибки:
0000 Ошибка сброшена или ошибки отсутствуют
1000 Общая ошибка
5530 Ошибка энергонезависимой памяти (EEPROM)
6010 Сброс по сторожевому таймеру
7320 Ошибка позиции (кода датчика)
7510 Ошибка связи по CAN-линии (busoff)
8130 Ошибка от охранного протокола NodeGuard (см. п.4.7)
Байт 3: Регистр ошибок (см. объект 1001h, стр.21)
Бит 0 Общая ошибка
Бит 4 Ошибка связи
Бит 5 Ошибка от охранного протокола NodeGuard
Бит 7 Ошибка памяти EEPROM
Байты 5..4: Аварии (см. объект 6503h, стр.33)
Бит 0 Недействительный код положения
Бит 1 Аппаратная ошибка
Байты 7..6: Предупреждения (см. объект 6505h, стр.33)
Бит 2 Сброс по сторожевому таймеру

C позиции рассмотрения ошибок датчик может находиться в двух состояниях: A (ошибок нет) или B (ошибки появлялись и не устранены):

рисунок 2

В зависимости от переходов между этими состояниями будут передаваться следующие аварийные сообщения:

0. После инициализации датчика, в случае отсутствия ошибок, датчик переходит в состояние A (нет ошибок), и сообщения об ошибке не посылаются.

1. Обнаружена ошибка, указанная в первых трёх байтах аварийного сообщения. Датчик переходит в состояние B. Передаётся аварийное сообщение с соответствующим кодом ошибки (см. выше),содержащее регистр ошибок (объект 1001h). Код ошибки записывается в объект 1003h — массив ошибок.

2. Одна, но не последняя, ошибка устранена. Передаётся аварийное сообщение, содержащее код 0000 (ошибка сброшена) в поле кода ошибок, а также оставшиеся ошибки и предупреждения в соответствующих полях.

3. Обнаружена новая (не первая ошибка). Датчик остаётся в состоянии B и передаёт аварийное сообщение с соответствующим кодом ошибки. Новый код ошибки заносится в верхний элемент массива ошибок (объект 1003h).

4. Все ошибки устранены. Датчик переходит в состояние отсутствия ошибок A и передаёт аварийное сообщение с кодом ошибки 0000.

4.6 Инициализация сети и запуск программы датчика

Датчик является сетевым устройством, которое может находиться в определённых состояниях. Конечный автомат может быть представлен следующей диаграммой NMT-состояний:

рисунок 3

После включения датчик проходит три стадии инициализации и переходит в Подготовительный режим. В конце инициализации датчик даёт оповещение в CANсети посредством посылки стартового сообщения (Boot-up message) на стадии (2). Это сообщение имеет структуру:

COB-ID DLC Байт 1
700h+node ID 1 00h

В Подготовительном режиме (Pre-Operational state) возможен обмен SDOтелеграммами, но не дозволена передача PDO, что разгружает шину и делает конфигурирование датчика более удобным.

Возможность обмена сообщениями в различных режимах приведена в таблице:

  ИНИЦИАЛИЗАЦИЯ ПОДГОТОВИТЕЛЬНЫЙ РАБОЧИЙ ОСТАНОВ
PDO     X  
SDO   X X  
SYNC   X X  
Emergency Объект   X X  
Boot-up Объект X      
NMT   X X X

X — сервис может функционировать

Состояние CAN-узла может быть изменено напрямую посылкой соответствующей NMT-команды, которая передаётся как неподтверждаемый объект и имеет структуру:

COB-ID Длина Байт 1 Байт 2
0 2 Байт команды Номер узла

Номер узла определяет целевой узел. Если он равен 0, то команда адресована ко всем узлам.

Байт команды определён следующим образом:

Байт команды Описание Номер события по диаграмме NMTсостояний
01h Запуск CAN-узла (3), (6)
02h Останов CAN-узла (5), (8)
80h Переход в подготовительный режим (4)
81h Перезапуск приложения (CAN-узла) (12), (13), (14)
82h Перезапуск сетевых установок узла (9), (10), (11)

Перезапуск может быть запущен двумя способами — перезапуск узла и перезапуск сетевых установок. Первый режим вызывает инициализацию параметров связи с индексами от 1000h до 2FFFh. Во втором режиме происходит инициализация параметров датчика с индексами 6000h — 6FFFh, а затем — также параметров связи. После перезапуска по NMT-команде, передаётся стартовое сообщение (boot-up) на стадии (2), а также делается задержка в 4 сек. Во время процесса перезапуска, параметры принимают значения из энергонезависимой памяти (EEPROM). Если память недоступна, параметры принимают значения по умолчанию, и создаётся соответствующее сообщение об ошибке (см. п. 4.5).

Параметры Номер узла (объект 2101h, стр.31) и Индекс скорости обмена (объект 2100h, стр.30) инициализируются особым способом. Сначала величина Номер узла читается по поворотным переключателям. Если величина не равна 0, то она принимается, и значение Индекса скорости обмена также читается по переключателям. Если Номер узла по переключателям равен 0, то Номер узла и Индекс скорости обмена берутся из энергонезависимой памяти EEPROM. Если память EEPROM недоступна, то принимаются значения по умолчанию, Номер узла=1 и Индекс скорости передачи соответствует 1 MBaud.

Индекс скорости обмена (Baudrate Index) связан со скоростями обмена данными таким образом:

Индекс скорости обмена Скорость обмена Переключатель
8 1000 kБит 7
7 800 kБит 6
6 500 kБит 5
5 250 kБит 4
4 125 kБит 3
3 100 kБит 2
2 50 kБит 1
1 20 kБит 0
0 10 kБит

4.7 Контроль работоспособности

Датчик поддерживает два способа контроля работоспособности канала: протокол проверки узла мастером (Node and Life Guarding Protocol) и протокол проверки связи с мастером (Heartbeat Protocol). Контроль работоспособности необходим, если датчик настроен на нерегулярную передачу данных; в противном случае работоспособность может определяться по наличию переданных данных.

4.7.1 Протокол проверки узла

Этот протокол (Node guarding protocol) используется для определения ошибок в сети при помощи удалённого запроса. NMT мастер делает удалённый запрос датчика через регулярные отрезки времени — период опроса (Guard time). Отклик датчика содержит код состояния узла и переключаемый бит и имеет следующую структуру:

COB-ID Длина Байт 1
700+node ID 1 Перекл. бит (7) + Сост. узла (6..0)

Состояние узла может принимать значения:

  • 0 Инициализация
  • 4 Останов (Stopped)
  • 5 Работа (Operational)
  • 127 Подготовительный режим (Pre-operational)

Переключаемый бит меняет значение после каждого запроса.

Контрольное время (Node Life Time) определяется как произведение интервала Guard Time и множителя Lifetime Factor. Если датчик не откликается в течение контрольного времени, то посредством службы Emergency Service (стр. 12) генерируется сообщение об ошибке.

рисунок 3

Протокол проверки узла использует следующие объекты датчика:

Объект Параметр Описание
100Ch

Период опроса

(Guard time)

0 — Протокол проверки узла не используется

1..FFFFh — период опроса, мсек

100Dh

Множитель

(Lifetime factor)

0 — Протокол проверки узла не используется

1..FFh — множитель

4.7.2 Протокол проверки связи

Этот протокол рекомендован ассоциацией CiA как новый протокол. Протокол определяет службу контроля над ошибками (Error Control Service) без необходимости использования удалённых запросов. Передатчик периодически посылает сообщения (Heartbeat messages) следующей структуры:

COB-ID Длина Байт 1
700+node ID 1 Состояние узла

Состояния узла определены так же, как в протоколе проверки узла (Node Guarding protocol) (стр.16).

Один или более потребителей принимают сообщения. Отношения между передатчиком и потребителем конфигурируются посредством объектов:

Объект Параметр Описание
1016h суб1 Контрольное время потребителя (Consumer heartbeat time) Определяет допустимый интервал ожидания посылок в мсек. Должен быть больше периода посылок передатчика.
1017h Период посылок передатчика (Producer heartbeat time) Определяет время в мсек циклических посылок передатчика. Если равно 0, то протокол не используется.

В датчике угла ЛИР-ДА158 передатчиком является датчик, а потребителем должен быть управляющий контроллер.

рисунок 4

Невозможно использовать одновременно оба протокола контроля работоспособности в одном датчике.

Если все объекты — 100Ch, 100Dh, а также 1017h не равны 0, то приоритетным является протокол Heartbeat. Т.е. при задании ненулевого периода (1017h) протокол NodeGuard отключается. Для его включения нужно обнулить 1017h, а затем задать ненулевые значения 100Ch и 100Dh.

Приоритет Heartbeat соблюдается и при инициализации датчика при перезапуске или включении. В этом случае включение протокола определяется по наличию ненулевых значений в указанных объектах, сохранённых в EEPROM.

5 Объекты датчика

5.1 Сводная таблица объектного словаря

В таблице использованы следующие обозначения:

Объект Шестнадцатиричные индекс и субиндекс объекта
Наименование Название объекта
Тип

ARR — масив;

Unn- беззнаковое целое;

Inn — целое (nn — количество бит).

Аттр. ro — только для чтения; rw — для чтения и записи.
По умолч. Величина по умолчанию.
Доп. информация Дополнительные пояснения

Объекты передачи данных (по DS 301 CiA)

Объект Наименование Тип Аттр. По умолч. Доп. информация Стр.
1000h Тип устройства U32 ro 00010196h Однооборотный датчик (по CiA) 21
1001h Регистр ошибок U8 ro 0h

бит 0 = общая ошибка
бит 4 = ошибка связи
бит 5 = ошибка по NodeGuard
бит 7 = ошибка EEPROM

21
1003h Поля стека ошибок ARR     Содержит 8 последних ошибок или предупреждений 21
00h Наибольший субиндекс U8 rw 0h Кол-во сохранённых сообщений (0..8) 21
01h Последнее сообщение U32 ro  

Ошибка или предупреждение:
1000h Общая ошибка
5530h Ошибка EEPROM
6010h Перезапуск по сторожевому таймеру
7320h Ошибка позиции
8130h Ошибка охранного таймера

21
... ... ... ... ... ...  
08h Самое старое сообщение U32 ro   Ошибка или предупреждение 21
1005h COB ID объекта синхронизации U32 ro 80h Идентификатор объекта синхронизации 22
1008h Имя устройства U32 ro «L158» Абсолютный датчик углового положения ЛИР-ДА158 22
1009h Вариант конструктива U32 ro значение Номер варианта в ASCII коде 22
100Ah Версия программы U32 ro значение Номер версии программы в ASCII коде 22
100Ch Период опроса U16 rw 0h Период опроса датчика на контроль работоспособности в мсек 22
100Dh Множитель контрольного времени U8 rw 0h Множитель для вычисления контрольного времени отклика датчика 23
1010h Сохранение параметров ARR       23
00h Наибольший субиндекс U8 ro 3h Кол-во вариантов сохранения = 3 23
01h Все параметры U32 rw   Сохранить все параметры 23
02h Параметры связи U32 rw   Сохранить параметры связи 23
03h Параметры приложения U32 rw   Сохранить параметры приложения 23
1011h Восстановление пар-ров По умолч. ARR       24
00h Наибольший субиндекс U8 ro 3h No. of reset possibilities = 3 24
01h Все параметры U32 rw   Восстановить все параметры 24
02h Параметры связи U32 rw   Восстановить параметры связи 24
03h Параметры приложения U32 rw   Восстановить параметры приложения 24
04h Кол-во записей в EEPROM U32 ro   Количество попыток записи в энергонезависимую память 24
1014h COB ID объекта аварийных сообщений U32 ro 80h+NodeID Идентификатор объекта аварийных сообщений 24
1016h Контрольное время ARR       25
00h Наибольший субиндекс U8 ro 1h   25
01h Контрольное время проверки работоспособности датчика U32 rw 0h

Биты 0..15 Контрольное время в мсек
Биты 16..23 номер узла
Биты 24..32 не используются

25
1017h Период посылок U16 rw 0h Период посылок контролируемого на работоспособность датчика в мсек 25
1018h Идентификатор датчика U32 ro     26
00h Наибольший субиндекс U8 ro 4h   26
01h ID производителя U32 ro значение Идентификатор производителя, установленный CiA 26
02h Тип датчика U32 ro 000CA001h 000CB001h = однооборотный ЛИР158А-CAN
= многоборотный ЛИР158A-CAN
26
03h Номер разработки U32 ro значение Номер разработки датчика 26
04h Заводской номер U32 ro значение Заводской номер 26
1029h Поведение при ошибке ARR     Реакция датчика на ошибку 27
01h Наибольший субиндекс U8 ro 1h   27
02h Ошибка связи U8 ro 1h 1h = не изменять режим 27
1800h Параметры передачи объекта PDO1 REC       28
00h Наибольший субиндекс U8 ro 5h   28
01h COB ID U32 ro 180h+ ID Идентификатор объекта = 180h+node ID 28
02h Тип PDO1 U8 rw FEh FEh = определённый пользователем циклический режим 28
05h Таймер перпередачи PDO1 U16 rw 203h Время цикла (период передачи) в мсек 28
1801h Параметры передачи объекта PDO2 REC       29
00h Наибольший субиндекс U8 ro 5h   29
01h COB ID U32 ro 280h+ ID Идентификатор объекта = 280h+node ID 29
02h Тип PDO2 U8 rw 2h 2h = синхронный режим передачи 29
05h Таймер передачи PDO2 U16 rw 100h Время цикла (период передачи) в мсек 29
1A00h Карта размещения информации PDO1 ARR       30
00h Количество объектов, отображаемых в PDO1 U8 ro 1h   30
01h Содержание PDO1 U32 ro 60040020h Описывает содержимое PDO1, см. в описании объекта 30
1A01h Карта размещения информации PDO2 ARR       30
00h Количество объектов, отображаемых в PDO2 U8 ro 1h   30
01h Содержание PDO2 U32 ro 60040020h Описывает содержимое PDO2, см. в описании объекта 30

Объекты датчика (по DS 406 CiA)

Объект Наименование Тип Аттр По умолч. Доп. информация Стр.
2100h Индекс скорости передачи U8 rw 8h

После установки параметра нужно сохранить память EEPROM и сделать перезапуск
0=10 кбит/сек
1=20 кбит/сек
2=50 кбит/сек
3=100 кбит/сек
4=125 кбит/сек
5=250 кбит/сек
6=500 кбит/сек
7=800 кбит/сек
8=1000 кбит/сек

30
2101h Идентификатор узла U8 rw 1h Возможные значения 1-127
После установки параметра нужно сохранить память EEPROM и сделать перезапуск
31
2800h Счётчик для дополнительной передачи PDO1 U8 rw 0h Количество повторов передачи одинаковых данных для PDO1 31
2801h Счётчик для дополнительной передачи PDO2 U8 rw 0h Количество повторов передачи одинаковых данных для PDO2 31
6000h Параметры функционирования U16 rw 0h Бит 0 — направление счёта 31
6001h разрешение датчика (отсчётов) U32 ro значение разрешение, отсчётов на оборот: напр. 20000h соотв. 17-битному датчику 31
6002h Полный диапазон измерения (отсчётов) U32 ro значение Полный диапазон измерения: 20000h для 17битного однооборотного датчика 32
6003h Величина предустановки (отсчётов) U32 rw 0h Величина предустановки для задания смещения отсчёта 32
6004h Позиция (отсчётов) U32 ro   Положение вала датчика с учётом смещения (отсчётов) 32
6200h Таймер передачи PDO1 U16 rw 203h Идентичен объекту 1800h, субинд. 5 32
6500h Режим работы U16 ro 4h Бит 0 — направление вращения 32
6501h Максимальное разрешение U32 ro значение Максимальное разрешение, отсчётов на оборот 33
6502h Достижимое количество оборотов U32 ro значение Максимальное количество оборотов (для однооборотных датчиков =1) 33
6503h Сообщения об авариях U16 ro 0h Поддерживаемые сообщения — см. объект 6504h 33
6504h Поддерживаемые сообщения об авариях U16 ro 5h Поддерживаются следующие сообщения:
Бит 0 = Ошибочные данные позиции
Бит 2 = Срабатывание сторожевого таймера
33
6505h Предупреждения U16 ro 0h Поддерживаемые предупреждения: см. объект 6506h 33
6506h Поддерживаемые предупреждения U16 ro 0h Поддерживаются следующие предупреждения:
Бит 2 = состояние сторожевого таймера
34
6507h Номера версий профиля и программы U32 ro напр. 01050201h Байты 0..1: Версия профиля =2.01 = 0201h
Байты 2..3: Верс. программы = 1.05 = 0105h
34
6508h Время работы датчика U32 ro 0h Время в 0,1 часа от последнего перезапуска 34
6509h Смещение показаний датчика U32 ro 0h Смещение вычисляется во время предустановки, см. объект 6003h 34
650Bh Заводской номер U32 ro значение То же, что и объект 1018h субинд. 4 34

5.2 Объектный словарь

Объект 1000 Тип датчика

Описание Содержит информацию о типе и профиле датчика
Тип данных Беззнаковое 32-разр. целое
Доступ Константа
По умолч. 10196h
Значения Байт 0&1 = 0196h — профиль по CiA
Байт 2 = 01h — абсолютный однооборотный датчик угла

Объект 1001 Регистр ошибок

Описание Последняя ошибка
Тип данных Беззнаковое 8-разр. целое
Доступ Только для чтения
По умолч. 0h
Значения Байт 0&1 = 0196h — профиль по CiA
Байт 2 = 01h — абсолютный однооборотный датчик угла
EEPROM Не сохр.
Значения Установленный бит соответствует обнаруженной ошибке:
Бит 0 — общая ошибка или ошибка величины угла
Бит 4 — ошибка связи
Бит 5 — ошибка по протоколу NodeGuard
Бит 7 — ошибка памяти EEPROM

При чтении значения объекта сбрасываются все установленные биты ошибок. Таким образом определяется, что ошибки, соответствующие прочитанным битам, появились в интервале между последним и предыдущим прочтениями объекта.

Объект 1003 Массив ошибок

Субиндекс 0
Описание Количество ошибок
Тип данных Беззнаковое 8-разр. целое
Доступ Только для чтения
По умолч. 0h
EEPROM не сохр.
Значения 0..8

 

Субиндекс 1..8
Описание Массив ошибок, элементы 1..8
Каждая новая ошибка сохраняется в 1 элементе (субиндекс 1), существующие значения сдвигаются на одну позицию вниз.
Тип данных беззнаковое 16-разр. целое
Доступ Только для чтения
По умолч. 0h
EEPROM не сохр.
Значения  

Объект 1005 COB-ID объекта синхронизации SYNC

Описание COB-ID объекта синхронизации
Тип данных Беззнаковое 32-разр. целое
Доступ Константа
По умолч. 80h
Значения Бит 31 — X (незначащий)
30 — 1 устройство производит SYNC-сообщения
0 устройство не производит SYNC-сообщения
29..11 — 0 зарезервирвано для 29-битн. идентификаторов
10..0 = 80h, стандартный идентифткатор

Объект 1008 Имя устройства

Описание Имя устройства в ASCII, данное производителем
Тип данных Строка
Доступ Константа
По умолч. L158
Значения например, 4Ch 31h 35h 38h соответствует «L158» — абсолютный датчик углового положения ЛИР-ДА158

Объект 1009 Номер варианта конструктива

Описание Номер варианта конструктива в ASCII
Тип данных Строка
Доступ Константа
По умолч. значение
Значения например, 31h 2Eh 30h 30h = «1.00»

Объект 100A Номер версии программы

Описание Номер версии программы в ASCII
Тип данных Строка
Доступ Константа
По умолч. значение
Значения например, 31h 2Eh 30h 30h = «1.00»

Объект 100C Период опроса (Guard time)

Описание Используется для протокола проверки работоспособности узла (Life Guarding Protocol). Произведение Периода опроса на Множитель (Lifetime factor — объект 100Dh) даёт контрольное время проверки узла.
Тип данных Беззнаковое 16-разр. целое
Доступ Чтение/запись
По умолч. 0h
EEPROM сохр.
Значения 0 — Протокол проверки узла не используется
1..FFFFh — значение период опроса в мсек

Объект 100D Множитель контрольного времени (Life time factor)

Описание Используется для протокола проверки работоспособности узла (Life Guarding Protocol), см. также объект 100Ch.
Тип данных Беззнаковое 8-разр. целое
Доступ Чтение/запись
По умолч. 0h
EEPROM сохр.
Значения 0 — Протокол проверки узла не используется
1..FFFFh — значение множителя

Объект 1010 Сохранение параметров

Данный объект поддерживает сохранение параметров в энергонезависимой памяти. Для предотвращения непреднамеренной записи используется ключевое слово «save», а объект имеет вид:

COB-ID Длина Команда Объект Субиндекс Data 0 Data 1 Data 2 Data 3
L H
600h+node ID 8 22h 10h 10h 01..03 73h ’s’ 61h ’a’ 76h ’v’ 65h ’e’
Субиндекс 0
Описание Наибольший субиндекс
Тип данных Беззнаковое 8-разр. целое
Доступ Константа
По умолч. 4

Субиндексы 01..03 позволяют выбрать категорию сохраняемых параметров:

01h Сохранение всех параметров
02h Сохранение параметров связи
03h Сохранение параметров приложения

Объекты, сохраняемые в EEPROM:

Объект Субиндекс Описание По умолч.
Параметры связи
100Ch 0h Период опроса (Guard Time) 0h
100Dh 0h Множитель (Life Time Factor) 0h
1016h 1h Контрольное время потребителя
(Consumer Heartbeat time)
0h
1017h 0h Период посылок передатчика
(Producer Heartbeat Time)
0h
1029h 1h Поведение при ошибке 1h
1800h 2h Тип PDO1 FEh
1800h 5h Таймер для циклической передачи PDO1 203h
1801h 2h Тип PDO2 2h
1801h 5h Таймер для циклической передачи PDO2 100h
2100h 0h Индекс скорости передачи данных 8h = 1MBaud
2101h 0h Номер узла 1h
2800h 0h Счётчик передач для PDO1 0h
2801h 0h Счётчик передач для PDO2 0h
Параметры приложения
6000h 0h Параметры функционирования 0h
6003h 0h Величина предустановки 0h
6509h 0h Величина смещения 0h

Объект 1011 Восстановление параметров по умолчанию

Данный объект поддерживает восстановление параметров, заданных по умолчанию и сохранение их в энергонезависимой памяти EEPROM. Для предотвращения непреднамеренной перезаписи используется ключевое слово «load». Объект имеет вид:

COB-ID Длина Команда Объект Субиндекс Data 0 Data 1 Data 2 Data 3
L H
600h+node ID 8 22h 11h 10h 01..03 6Ch ’l’ 6Fh ’o’ 61h ’a’ 64h ’d’
Субиндекс 0
Описание Максимальный возможный субиндекс
Тип данных Беззнаковое 8-разр. целое
Доступ Константа
По умолч. 4

Субиндексы 01..03 позволяют выбрать категорию восстанавливаемых параметров:

01h Восстановление всех параметров
02h Восстановление параметров связи
03h Восстановление параметров приложения

Количество попыток записи в EEPROM доступно через субиндекс 4 объекта 1011h. Эта величина позволяет оценить остаточный ресурс памяти.

Субиндекс 4
Описание Количество попыток записи в EEPROM
Тип данных Беззнаковое 32-разр. целое
Доступ Только для чтения
EEPROM сохр.

Посредством данного объекта инициируется запись параметров по умолчанию в EEPROM, но датчик продолжает работать с текущими параметрами. Для того, чтобы задействовать параметры по умолчанию, нужно сделать перезагрузку датчика посредством NMT-команды (см. п. 4.6).

Восстанавливаемые параметры приведены в таблице описания объекта 1010h.

Объект 1014 COB-ID объекта аварийных сообщений

Описание Идентификатор объекта аварийных сообщений
Тип данных Беззнаковое 8-разр. целое
Доступ Константа
По умолч. 80h + номер узла

Объект 1016 Контрольное время

Субиндекс 0
Описание Наибольшее значение субиндекса
Тип данных Беззнаковое 8-разр. целое
Доступ Константа
По умолч. 1
Субиндекс 1
Описание Контрольное время проверки работоспособности датчика
Тип данных Беззнаковое 32-разр. целое
Доступ Чтение/запись
По умолч. 0
EEPROM сохр.
Значения Бит 0..15 — контрольное время в мсек

Объект 1017 Период контрольных посылок

Описание Период посылок в мсек контролируемого на работоспособность датчика протокола проверки связи
Тип данных Беззнаковое 16-разр. целое
Доступ Чтение/запись
По умолч. 0
EEPROM сохр.
Значения 0 — протокол не задействован
1..FFFFh — период посылок в мсек

Объект 1018 Идентификаторы датчика

Субиндекс 0
Описание Наибольшее значение субиндекса
Тип данных Беззнаковое 8-разр. целое
Доступ Константа
По умолч. 4h
Субиндекс 1
Описание Идентификатор производителя
Тип данных Беззнаковое 32-разр. целое
Доступ Константа
По умолч. Идентификатор производителя по CiA
Субиндекс 2
Описание Тип датчика
Тип данных Беззнаковое 32-разр. целое
По умолч. 009E000Dh
Доступ Константа
Значения 009E000Dh
соответствует 158.14 (2 старших байта, точка, 2 младших)
Субиндекс 3
Описание Номер разработки датчика
Тип данных Беззнаковое 32-разр. целое
Доступ Константа
По умолч. 00010000h
Значения 00010000 (1.0)
Субиндекс 4
Описание Заводской номер
Тип данных Беззнаковое 32-разр. целое
Доступ Константа
По умолч. Присваивается изготовителем
Значения например, 07h 01h DCh A5h соответствует «07.122021»

Объект 1029 Поведение при ошибке

Субиндекс 0
Описание Наибольшее значение субиндекса
Тип данных Беззнаковое 8-разр. целое
Доступ Константа
По умолч. 1
Субиндекс 1
Описание Поведение при ошибке связи
Тип данных Беззнаковое 8-разр. целое
Доступ Чтение/запись
По умолч. 1
EEPROM сохр.
Значения 0 — переход в подготовительный режим
1 — не изменять режим

Объект определяет поведение при потере связи по CAN-линии.

При значении 0 датчик пытается послать аварийное сообщение об ошибке и переходит в предварительный режим.

При значении 1 датчик не изменяет режим, также посылается аварийное сообщение, и начинает мигать красный светодиод.

При потере связи также устанавливается бит 4 объекта 1001h, а также дополняется массив ошибок — объект 1003h.

Объект 1800 Параметры передачи объекта PDO1

Субиндекс 0
Описание Наибольшее значение субиндекса
Тип данных Беззнаковое 8-разр. целое
Доступ Константа
По умолч. 5
Субиндекс 1
Описание Идентификатор (COB-ID), используемый PDO1
Тип данных Беззнаковое 32-разр. целое
Доступ Константа
По умолч. 180h + номер узла
Субиндекс 2
Описание Тип передачи PDO1
Тип данных Беззнаковое 8-разр. целое
Доступ Чтение/запись
По умолч. 1
EEPROM сохр.
Значения n = 1..F0h — синхронный режим (PDO1 передаётся по каждому n-му сообщению SYNC)
n = FEh — асинхронный режим (PDO1 передаётся в цикле по внутреннему таймеру)
Субиндекс 5
Описание Таймер передачи PDO1
Тип данных Беззнаковое 16-разр. целое
Доступ Чтение/запись
По умолч. 203h
EEPROM сохр.
Значения 0 — циклическая передача выключена
1..FFFFh — длительность цикла передачи

*Возможна запись в объект 1800h / 1801h субиндекс 1, но при этом изменяется только старший (31й) бит данных — разрешение/запрет передачи PDO1.

См. также п. 4.3 «Передача данных процесса».

Объект 1801 Параметры передачи объекта PDO2

Субиндекс 0
Описание Наибольшее значение субиндекса
Тип данных Беззнаковое 8-разр. целое
Доступ Константа
По умолч. 5
Субиндекс 1
Описание Идентификатор (COB-ID), используемый PDO2
Тип данных Беззнаковое 32-разр. целое
Доступ Константа
По умолч. 280h + номер узла
Субиндекс 2
Описание Тип передачи PDO2
Тип данных Беззнаковое 8-разр. целое
Доступ Чтение/запись
По умолч. 02h
EEPROM сохр.
Значения n = 1..F0h — синхронный режим (PDO2 передаётся по каждому n-му сообщению SYNC)
n = FEh — асинхронный режим (PDO2 передаётся в цикле по внутреннему таймеру)
Субиндекс 5
Описание Таймер передачи PDO2
Тип данных Беззнаковое 16-разр. целое
Доступ Чтение/запись
По умолч. 100h
EEPROM сохр.
Значения 0 — циклическая передача выключена
1..FFFFh — длительность цикла передачи

Объект 1A00 Карта размещения информации PDO1

Субиндекс 0
Описание Количество объектов, отображаемых в PDO1
Тип данных Беззнаковое 8-разр. целое
Доступ Константа
По умолч. 1
Субиндекс 1
Описание Содержание PDO1
Тип данных Беззнаковое 32-разр. целое
Доступ Константа
По умолч. 60040020h
Значения Биты 0..7 — длина объекта (20h = 32бита)
Биты 8..15 — субиндекс (0h)
Биты 16..31 — индекс объекта, отображаемого в PDO1
(6004h = величина угла в отсчётах)

Объект 1A01 Карта размещения информации PDO2

Субиндекс 0
Описание Количество объектов, отображаемых в PDO2
Тип данных Беззнаковое 8-разр. целое
Доступ Константа
По умолч. 1
Субиндекс 1
Описание Содержание PDO2
Тип данных Беззнаковое 32-разр. целое
Доступ Константа
По умолч. 60040020h
Значения Биты 0..7 — длина объекта (20h = 32бита)
Биты 8..15 — субиндекс (0h)
Биты 16..31 — индекс объекта, отображаемого в PDO2
(6004h = величина угла в отсчётах)

Объект 2100 Индекс скорости обмена

Описание Служит для задания и чтения скорости передачи CAN-шины После установки скорости передачи, память EEPROM должна быть сохранена, и датчик перезапущен
Тип данных Беззнаковое 8-разр. целое
Доступ Чтение/запись
По умолч. 8h
EEPROM сохр.
Значения 0 = 10 кбит/сек
1 = 20 кбит/сек
2 = 50 кбит/сек
3 = 100 кбит/сек
4 = 125 кбит/сек
5 = 250 кбит/сек
6 = 500 кбит/сек
7 = 800 кбит/сек
8 = 1 MБит/сек

Объект 2101 Номер узла

Описание Идентификационный номер узла в CAN-сети
Тип данных Беззнаковое 8-разр. целое
Доступ Чтение/запись
По умолч. 1h
EEPROM сохр.
Значения 0 — запрещённое значение
1..255 — номер узла

Объект 2800 Счётчик для дополнительной передачи PDO1

Описание Определяет количество повторений передачи одинаковых данных для PDO1
Тип данных Беззнаковое 8-разр. целое
Доступ Чтение/запись
По умолч. 0
EEPROM сохр.
Значения 0 — счётчик PDO1 выключен, передача данных циклическая по внутреннему таймеру
1..n..255 — значение PDO1 передаётся n раз после изменения

Объект 2801 Счётчик для дополнительной передачи PDO2

Описание Определяет количество повторений передачи одинаковых данных для PDO2
Тип данных Беззнаковое 8-разр. целое
Доступ Чтение/запись
По умолч. 0
EEPROM сохр.
Значения 0 — счётчик PDO1 выключен, передача данных циклическая по внутреннему таймеру
1..n..255 — значение PDO1 передаётся n раз после каждого изменения

Объект 6000 Параметры функционирования

Описание Параметры функционирования
Тип данных Беззнаковое 16-разр. целое
Доступ Чтение/запись
По умолч. 0
EEPROM сохр.
Значения Бит 0 — нарастающий счёт при вращении:
0 — по часовой стрелке
1 — против часовой стрелки

Объект 6001 Количество отсчётов на оборот

Описание Возможное количество отсчётов на оборот
Тип данных Беззнаковое 32-разр. целое
Доступ Константа
Значения например, 20000h соответствует 217=131072 отсчёта

Объект 6002 Полный диапазон измерения

Описание Количество отсчётов полного диапазона измерений
Тип данных Беззнаковое 32-разр. целое
Доступ Константа
Значения например, 20000h соответствует 217=131072 отсчёта

Объект 6003 Величина предустановки

Описание Позволяет приспособить шкалу датчика к механической системе путём установки величины текущего угла в заданное значение и вычисление величины смещения (см. объект 6509h)
Тип данных Беззнаковое 32-разр. целое
Доступ Чтение/запись
По умолч. 0
EEPROM не сохр.
Значения 0..полный диапазон измерений-1 (см. объект 6002h)

Объект 6004 Величина угла

Описание Величина текущего положения угла в отсчётах
Тип данных Беззнаковое 32-разр. целое
Доступ Только для чтения
По умолч. 0
EEPROM не сохр.
Значения 0..полный диапазон измерений-1 (см. объект 6002h)

Объект 6200 Таймер для циклической передачи PDO1

Описание Таймер для PDO1 (см. объект 1800h-5)
Тип данных Беззнаковое 16-разр. целое
Доступ Чтение/запись
По умолч. 203h
EEPROM сохр.
Значения 0 — циклическая передача выключена
1..FFFFh — период циклической передачи в мсек

Объект 6500 Режим функционирования

Описание Режим функционирования (см. объект 6000h)
Тип данных Беззнаковое 16-разр. целое
Доступ Только для чтения
По умолч. 0
EEPROM сохр.
Значения Бит 0 — нарастающий счёт при вращении:
0 — по часовой стрелке
1 — против часовой стрелки

Объект 6501 Максимальное количество отсчётов на оборот

Описание Максимально возможное количество отсчётов на оборот датчика
Тип данных Беззнаковое 32-разр. целое
Доступ Константа
По умолч.
Значения например, 20000h соответствует 217=131072 отсчёта

Объект 6502 Максимальное количество оборотов

Описание Максимально возможное количество оборотов датчика
Тип данных Беззнаковое 16-разр. целое
Доступ Только для чтения
По умолч. 1

Объект 6503 Сообщения об авариях

Описание Текущее (последнее) сообщение об аварии
Тип данных Беззнаковое 16-разр. целое
Доступ Только для чтения
По умолч. 0
EEPROM не сохр.
Значения В соответствии с поддерживаемыми сообщениями (см. объект 6504h)

Объект 6504 Поддерживаемые сообщения об авариях

Описание Возможные коды сообщений об авариях
Тип данных Беззнаковое 16-разр. целое
Доступ Константа
По умолч. 0×0001
Значения Бит 0 — неверное значение позиции (угла), аппаратная ошибка датчика

Объект 6505 Предупреждения

Описание Текущее (последнее) предупреждение
Тип данных Беззнаковое 16-разр. целое
Доступ Только для чтения
По умолч. 0
EEPROM не сохр.
Значения В соответствии с поддерживаемыми предупреждениями (см. объект 6506h)

Объект 6506 Поддерживаемые предупреждения

Описание Возможные коды предупреждений
Тип данных Беззнаковое 16-разр. целое
Доступ Константа
По умолч. 0×0004
Значения Бит 2 — сброс по сторожевому таймеру

Объект 6507 Профиль и версия программы

Описание Номера версий профиля и прогрраммы датчика
Тип данных Беззнаковое 32-разр. целое
Доступ Константа
По умолч. 01000100h
Value Битs 0..15 — номер версии профиля (01)
Битs 16..31 — номер версии программы (01)

Объект 6508 Время работы датчика

Описание Время работы дачика от последнего перезапуска (1 = 0,1 часа)
Тип данных Беззнаковое 32-разр. целое
Доступ Только для чтения
По умолч. 0
EEPROM не сохр.
Значения 0..FFFF FFFFh

Объект 6509 Величина смещения позиции

Описание Вычисляется по значению текущего угла и предустановки (см. объект 6003h)
Тип данных 32-разр. целое со знаком
Доступ Только для чтения
По умолч. 0
EEPROM сохр.
Значения 0..полный диапазон измерений — 1 (см. объект 6002h)

Объект 650B Заводской номер датчика

Описание Номер датчика, присвоенный производителем
Тип данных Беззнаковое 32-разр. целое
Доступ Константа
По умолч. Присваивается изготовителем
Значения например, 07h 01h DCh A5h соответствует «07.122021»

См. также объект 1018, субиндекс 4.

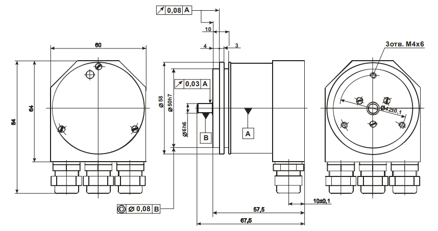
6 Технические данные

6.1 Механические

Диаметр корпуса, мм 58
Класс защиты IP64, IP65
Диаметр вала, мм 6
Максимальная скорость, мин-1 10 000
Момент трогания ротор, Н·см 1
Момент инерции, кг·м2 1.7·10-6
Макс. нагрузка на вал, N Осевая — 10,
радиальная — 20
Вес, г 400
Габаритные размеры, мм 67.5×60×84
Рабочая температура, ºC 0...50
Вибрационные ускорения, м/сек2 ≤ 100 (при 55...2000Гц)
Ударные ускорения, м/сек2 ≤ 300 (10 мсек)
Рекомендуемые муфты ЛИР-801, ЛИР-825

6.2 Электрические

Номинальное напряжение питания, В 24
Допустимое напряжение питания, В от 10 до 30
Ток потребления, мА 80 (при Uпит =24В)
Рабочая скорость, мин-1 3 000
Разрешение, бит от 10 до 17
Выходной код Двоичный
Присоединение 3 кабельных ввода
Интерфейс CAN
Протокол обмена данными CANopen, в соответствии со стандартами CiA DS-301, DS-406
Скорость обмена, бит/сек 10*), 20, 50, 100, 125, 250, 500, 800, 1000
Устанавливаемый номер CAN-узла от 1 до 99 посредством переключателей или от 1 до 127 через EEPROM

*) конфигурируется только через EEPROM.

Механическое крепление датчика

  • Соедините вал датчика и вал привода, используя соответствующую муфту. Концы валов не должны соприкасаться. Муфта должна быть способна компенсировать смещения в рабочем диапазоне температур и механических люфтов. Обратите внимание на допуски осевых и радиальных нагрузок на вал и на муфту. Рекомендуемые муфты — ЛИР-801, ЛИР-825.
  • Закрепите винтами корпус датчика, используя три крепёжных отверстия на фланце, обратите внимание на размер и длину резьбы (M4×6).
  • Затяните винты крепления корпуса и муфты.

схема 3

7 Электрические соединения и установки

7.1 Клеммы и переключатели

Для электрических присоединений необходимо снять крышку датчика, которая крепится тремя винтами. Доступ к клеммам и переключателям показан на рисунке:

рисунок 3

Электрические соединители и установочные переключатели:

  1. Клеммная колодка для присоединения к CAN-шине и питанию
  2. Включатель нагрузочного сопротивления
  3. Круговые переключатели для установки адреса узла
  4. Круговые переключатели для установки адреса узла
  5. Двухцветный индикатор ошибки и состояния датчика
  6. Круговой переключатель установки скорости обмена данными

рисунок 4

Возможна установка адреса узла в десятичном виде с использованием круговых переключателей, маркированных как «x10» и «x1». Допустимые адреса — от 1 до 99. Если установлен адрес 0, то используется значения адреса и скорости обмена из энергонезависимой памяти (EEPROM) или значения по умолчанию. Переключатель «Baud» используется для установки Индекса скорости передачи. Соответствие между индексами и скоростями обмена приведено на стр.15.

Однополюсный переключатель, расположенный слева, используется для подключения терминального резистора номиналом 120 Ом в случае, если датчик является последним устройством на CAN-шине.

Клеммный блок используется для подключения проводов CAN-линии (три контакта для входного кабеля и три — для выходного), а также для подключения питания отдельным кабелем (два контакта). Обозначения контактов промаркированы на печатной плате, описание см. в таблице на стр.37.

Двухцветный светодиод служит для индикации ошибок и состояния датчика как CAN015-устройства:

ЗЕЛЁНЫЙ КРАСНЫЙ Значение
ВЫКЛ ВЫКЛ Нет питания
ВКЛ ВЫКЛ Рабочий режим
МИГАЕТ ВЫКЛ Подготовительный режим
X МИГАЕТ Нет подключения к CAN-шине
ВЫКЛ ВКЛ Ошибка EEPROM

7.1 Присоединение кабеля

На датчике расположены три кабельных ввода. Левый и средний вводы предназначены для подключения входного и выходного CAN-кабеля, правый — для кабеля питания. Подсоединять кабели рекомендуется в следующем порядке:

  • Зачистите кабель в соответствии с рисунком. Размеры даны в миллиметрах.
рисунок 5
  • Ослабьте гайку кабельного ввода.
  • Вставьте кабель внутрь уплотнения ввода.
  • Подключите проводники к соответствующим контактам клеммного блока.
  • Затяните гайку кабельного ввода и винты клеммного блока.
  • Повторите для оставшихся двух кабелей.

Экран CAN-кабеля следует, в зависимости от конкретной конфигурации CAN-линии, подключить к клеммам земли (G) или соединить с корпусом датчика посредством кабельного ввода.

Не прилагайте чрезмерных усилий при затяжке винтов клеммного блока!

Назад

Читайте также

12156
(3)
Для чего необходим преобразователь частоты

Преобразователь частоты — это устройство, преобразующее параметры частоты электрического тока. Он регулирует скорость вращения асинхронного двигателя с помощью изменения частоты питающего напряжения. Так коэффициент полезного действия остается стабильным.

17656
(1)
Типы преобразователей давления: их характеристики и применение

Для точных измерений параметров промышленного оборудования применяют преобразователи датчиков давления – устройства, которые отображают измеряемую величину в цифровом виде. Благодаря им оборудование на предприятии работает более стабильно и безопасно.

14729
(1)
ТЕХНИЧЕСКИЕ ПАРАМЕТРЫ РЕДУКТОРОВ
Для правильного выбора редуктора действующая радиальная нагрузка на выходном валу редуктора не должна превышать максимально допустимого значения, указанного в таблице...